首 页
YH3/80
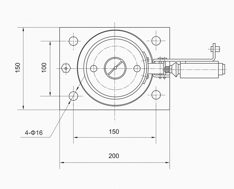
YH3/80 油压缓冲器
选择规格型号:
YH3/80 油压缓冲器 - V≤1.0m/s
价格:
请选择规格
-
+
立即购买
商品详情